🤝 Verksamma sedan 2006 🏆 Störst på ventilation 📦 Fraktfritt vid 2000 kr

Systemair reservfläkt 312586

Artnr: 5460
1 534 kr
5460 Systemair
  • Snabba leveranser
  • Låga fraktkostnader
  • Stort eget lager
  • 30 dagars öppet köp

Rekommenderade tillbehör


Beskrivning av Systemair reservfläkt 312586

Reservfläktmotor utan kåpa till Villavent/systemair TFE 220 M och TFSR mm

Passar TFE 220M med artikelnummer 1269
Systemairs artnr: 312586
Fläkt-artnr: R2E220-AB06-51
Många Gullringshus är utrustade med en takfläkt av modellen Enessen RTI 200. Om motorn i fläkten är märkt R2E220-AB06-10, kan denna ersättningsfläkt användas.


Ersätter tidigare produkt:

  • R2E220-AB06-09
  • R2E 220-AB06-51 SP1
  • R2E220-AB06-10
  • R2E220-AB06-20
  • R2E220-AB06-30

Många Gullringshus har takfläkt från Enessen RTI 200 Om motorn heter R2E220-AB06-10 kan denna fläkt användas.


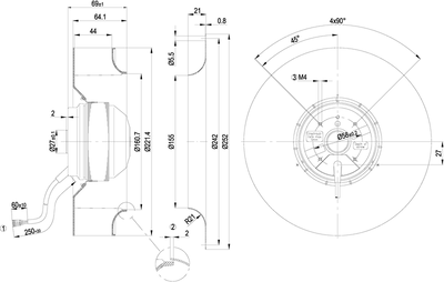
Teknisk data

Beskrivning        Radialfläkt utan kåpa, reservdel

Spänning           1~230 VAC

Frekvens            50 Hz

Effekt                 92 W

Märkström          0.41 A

Varvtal               2700 rpm

Kondensator 2,5 µF (Beställs separat, se tillbehör)

Temperaturområde    -25…+55 °C

Rotationsriktning       Medurs

Motor                          Spänningsreglerbar asynkronmotor av ytterrotortyp

Motorbeteckning        M2E068-CF

Motorskydd / Skydd  Inbyggt termokontaktmotorskydd, återställs genom att bryta nätspänningen

Kapslingsklass           IP44

Isolationsklass motor                B

Lagertyp           Kullager

Material            Fläkthjul med bakåtböjda skovlar, tillverkat av plast

Fläkthjul            B-hjul

Elektrisk anslutning                   Kabel, 250 mm

Uppfyllda standarder               CE; EN 60335-1, CCC

C-mått               69 mm

Vikt                     1.8 kg

Anders Johansson frågade för 6 dagar sedan
Skall byta fläkt i System Airs TFSK200. Benämningen på den fläkten är ebmpapst R2E220-AB06-51. Motoreffekterna är desamma. Vad är diametern på själva fläkthjulet på er fläkt. Ca.215mm på fläkthjulet jag behöver.
Butiken svarade

Hej

Jag har fått info att det är rätt fläkt och jag har nu uppdaterat produkten med att den heter R2E220-AB06-51 samt bifogat måttskiss, Systemair reservfläkt 312586

Liknande produkter

Kanalfläkt Systemair KVK Silent 125 EC
6 452 kr
Finns i lager för omgående leverans
Kanalfläkt Systemair K 100 XL Sileo
1 501 kr
Finns i lager för omgående leverans
Kanalfläkt Systemair K 125 EC Sileo
2 988 kr
Finns i lager för omgående leverans
Kanalfläkt Systemair KVK Silent 160 EC
6 478 kr
Finns i lager för omgående leverans
Kanalfläkt Systemair K 125 XL Sileo
1 629 kr
Finns i lager för omgående leverans